Image
Share

June 10, 2020 | SPOC Automation

Reading a SPOC Wiring Diagram


We talk a lot about innovation at SPOC. Sometimes innovation is a big idea, a breakthrough in technology. Other times, it’s something small; something that makes the customer’s life a little easier.

One innovation that we implemented several years ago is a simple one that people tell us makes a huge difference.

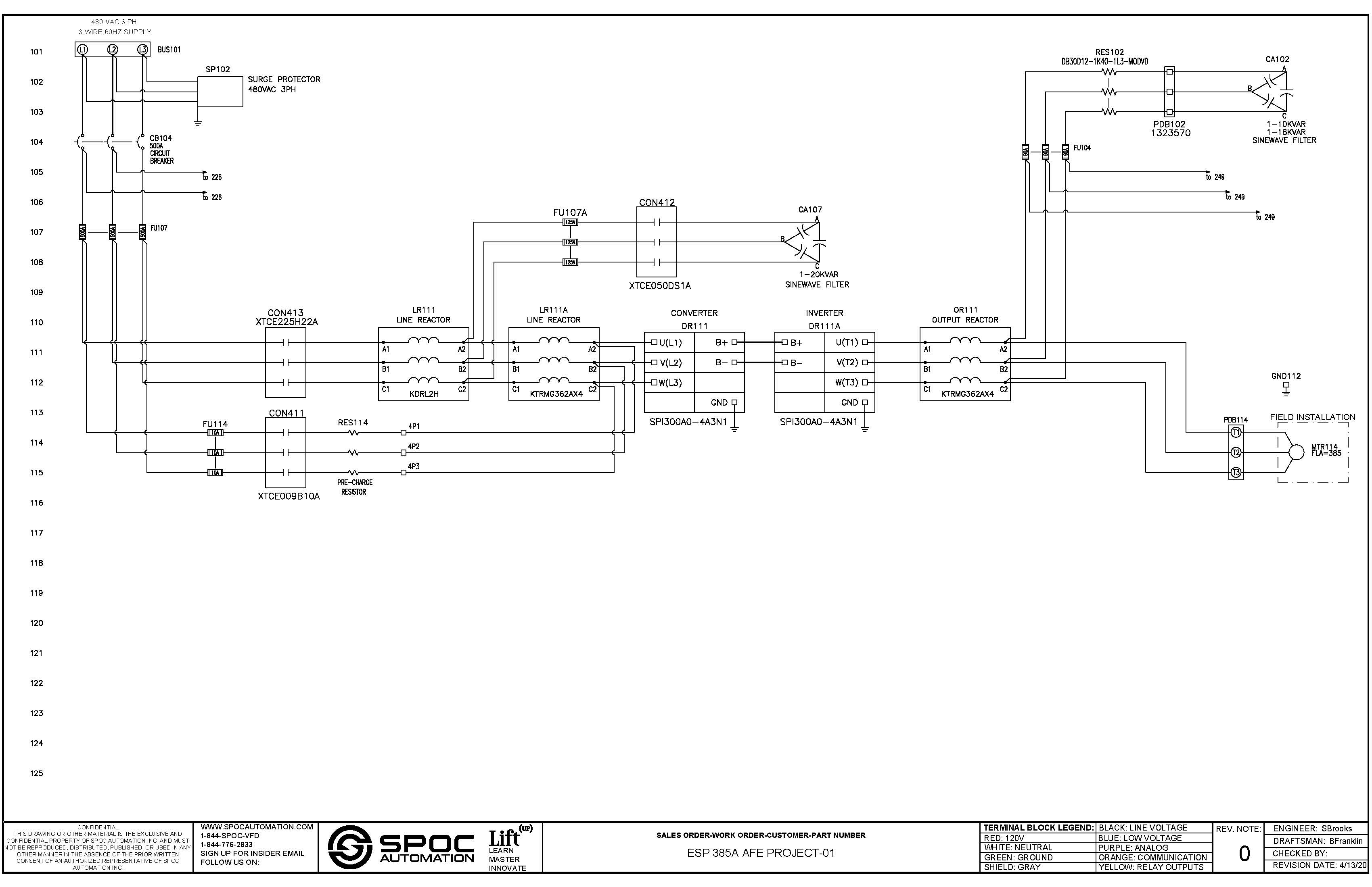
On every drive, we include a wiring diagram on the inside of the box, so if you have to troubleshoot a problem, the critical information you need is right there.

But how to read one of our diagrams? It’s not hard, if you understand the system.

In a recent episode of our Two-Minute Drives training videos, one of our controls engineers, Vincent Coker, walks you through the layout of a wiring diagram and what it all means.

It’s two minutes packed with useful information, so check it out.

As always, we’re here if you ever want to talk!